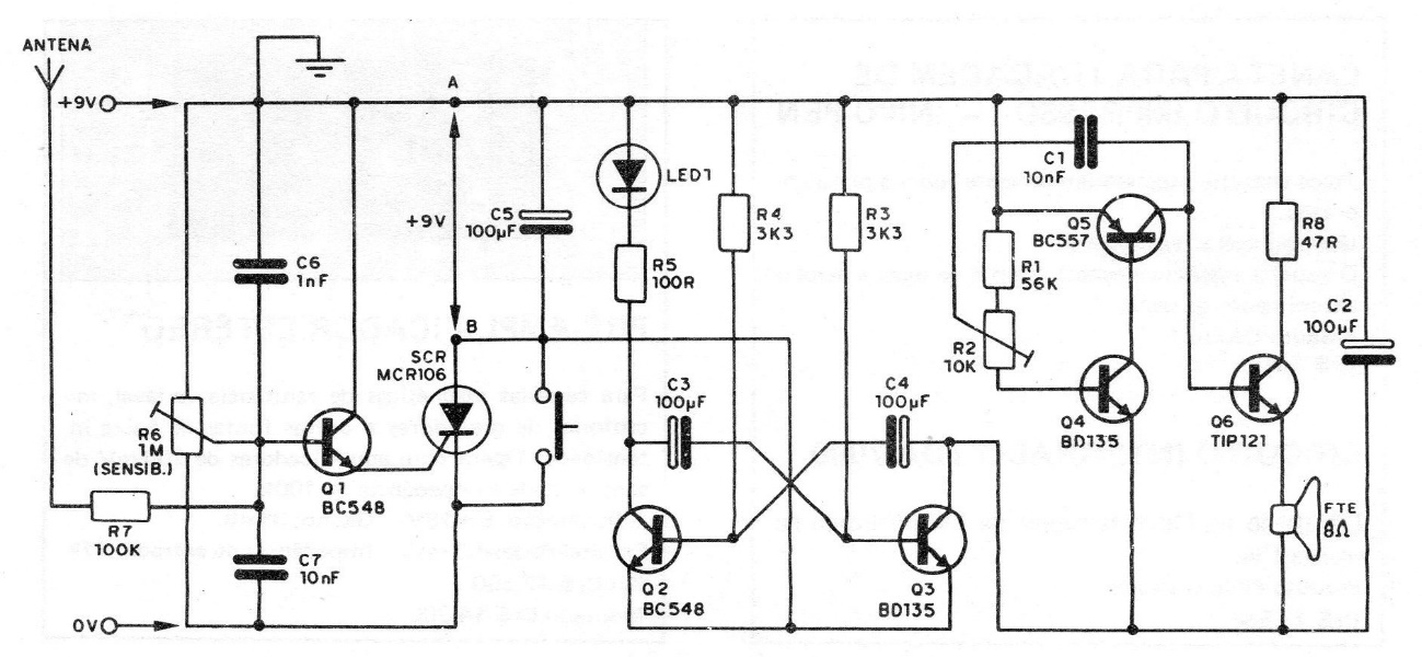
This device can be used as a proximity arm, touch sensor or electronic bell. When connected to a door handle, at the touch of someone it will fire, intermittently triggering an audio oscillator that operates at around 500 Hz. The complete circuit of the device, powered by a voltage of 9 V, is shown in the figure. As we can see, the trigger circuit is formed by an SCR that has an amplifier NPN transistor with the base connected to the sensor. When a small current circulates through the base of the transistor, whether due to direct touch or induction by approximation, it is amplified and applied to the SCR causing its trigger. To prevent the circuit from operating erratically, there is a sensitivity adjustment pot. This potentiometer can have values between 1 M and 2M2. The SCR fires by feeding an astable low-frequency multivibrator, which is the flashing circuit.




