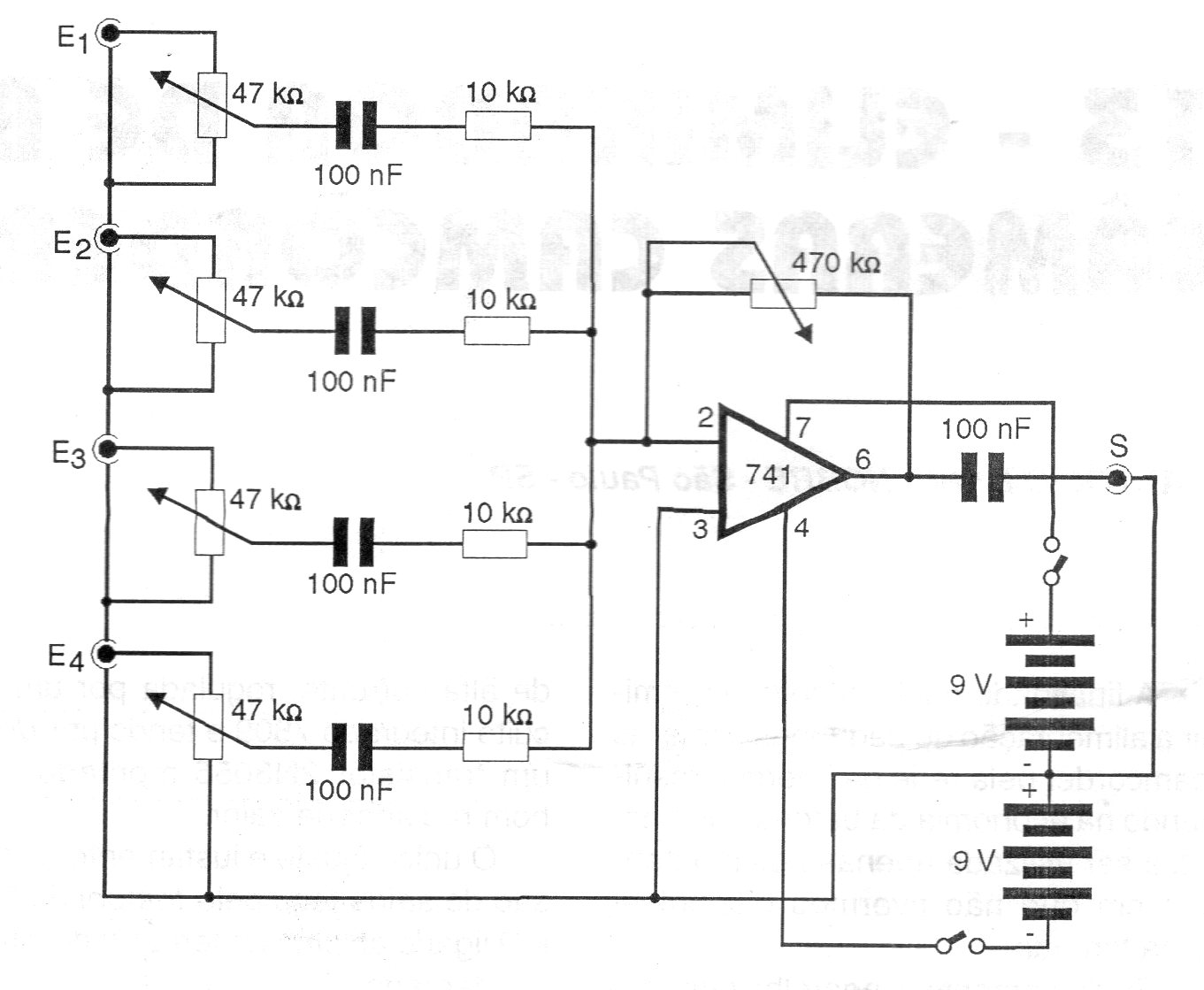
This is one of the many mixer versions with the 741 operational amplifier that the reader can find on this website. This circuit is from a 1997 publication and uses a 9 V symmetrical power supply (2 batteries). The circuit, however, can be powered by voltages from 6 to 12 V and its consumption is quite low. The input impedance is high.




