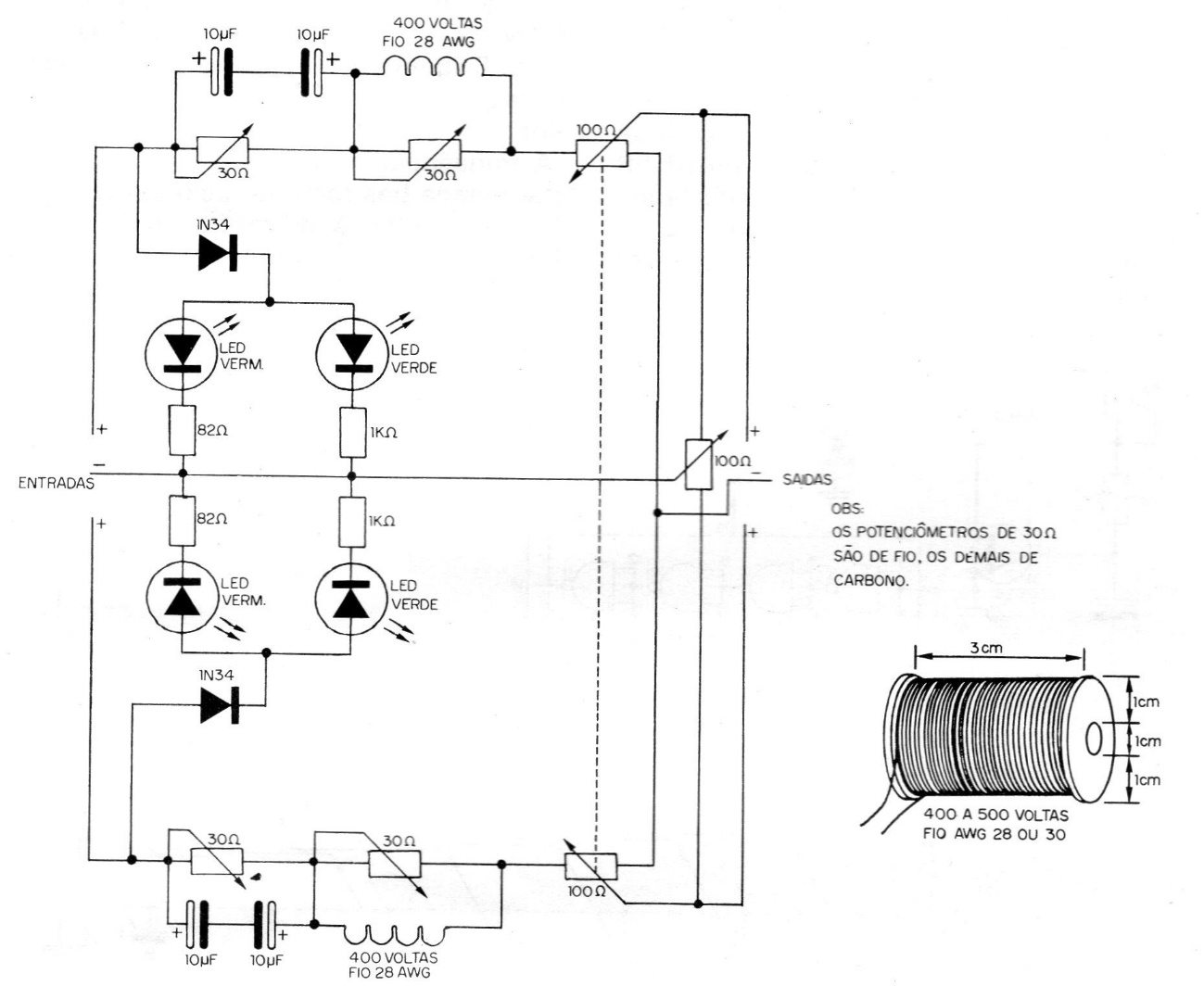
This is the project we have described, as found in a 1981 documentation. In the figure we show the complete circuit of the plant, which has 4 LEDs for operating elements, two red and two green. The panel uses 7 potentiometers that have the following functions: The potentiometers in parallel with the electrolytic capacitors control the bass, while the potentiometers in parallel with the coils control the treble of each channel. The single 100 ohms potentiometer controls balance and finally the double 100 ohms potentiometer controls volume. For the latter, you have the option of using separate potentiometers. In the absence of the values indicated for the potentiometers, close values can be tried. The details of the coils are given in the figure next to the diagram which is wound with 28 or 30 AWG wire.




