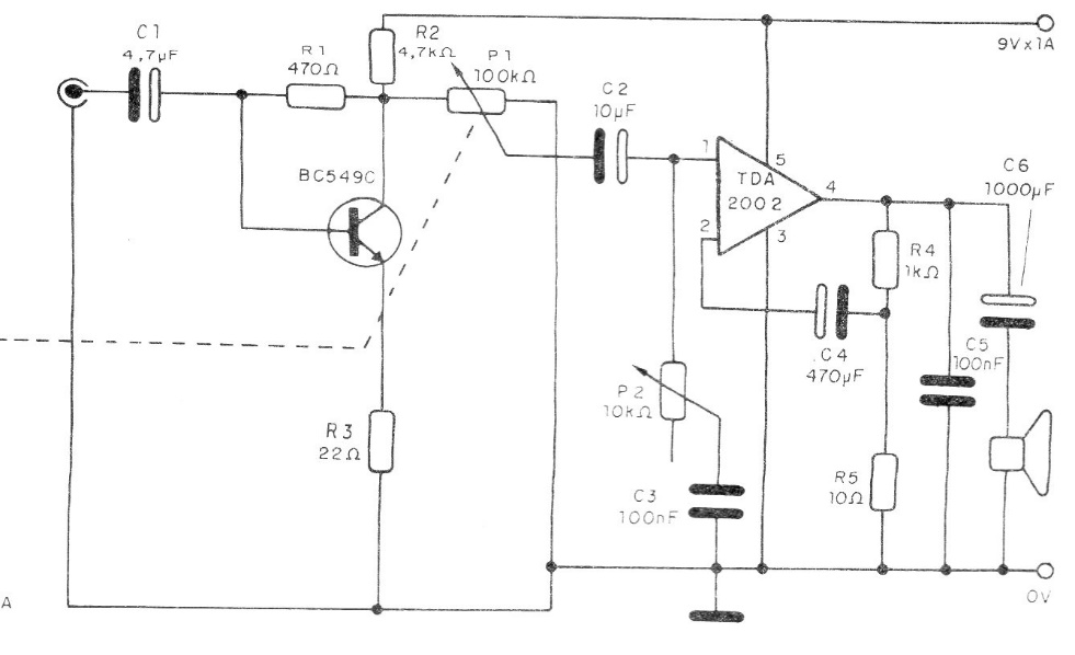
Originally in the 1992 publication, this amplifier was recommended for use with record players. However, in a modern application it can be used with musical instruments or even as a multimedia speaker for computers. The circuit must be powered by a source with a 9 + 9 V transformer with 1 A. The integrated circuit must be equipped with a heat sink.




