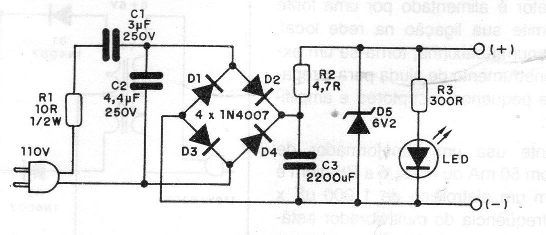
Here is a simple source without a transformer for currents up to 50 mA. The voltage depends on the zener diode and can be between 3 and 12 V. The input capacitors are polyester with a working voltage of at least 400 V if the network is 1110 V and 600 V if the network is 220 V.




