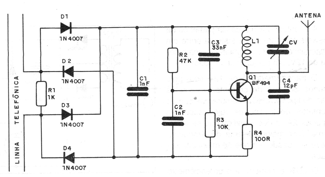
This wireless stapler transmits telephone conversations to an FM receiver at up to 50 meters. The coil consists of 4 coils of wire 28 or 26 in the form of 1 cm without core. The antenna must be 10 to 15 cm. The capacitors are all ceramic. The circuit is powered by the telephone line voltage itself.




