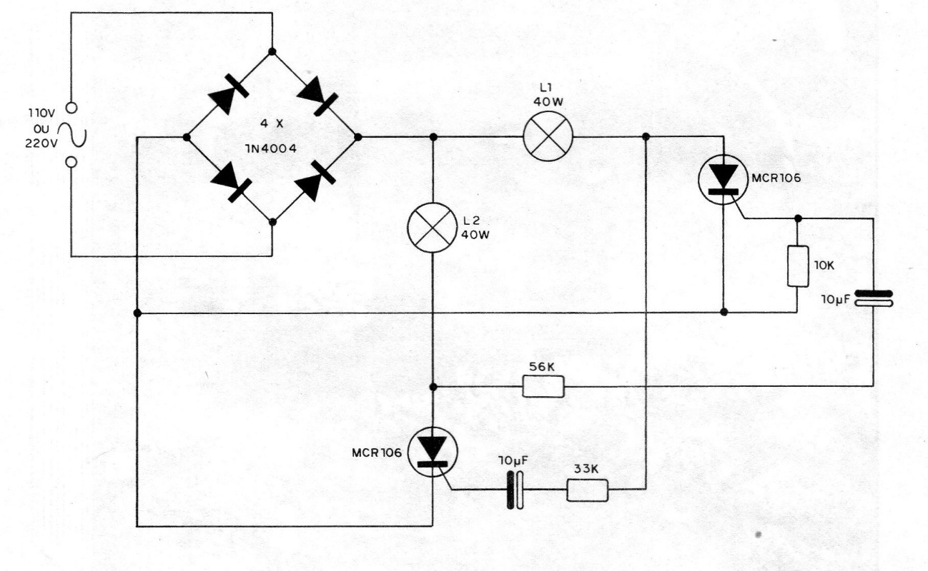
We have here a simple signaling circuit for two common incandescent lamps, which is used for garage doors, vehicle exits, using two SCRs. The complete circuit is shown in the figure. A diode bridge allows to obtain the direct voltage to supply the circuit. The diodes used must withstand an inverse voltage of at least 200 V, if the grid is 110 V and at least 400 V, if the grid is 220 V. Diodes such as 1N4004, BY127, BY126, are for the 110 V power grid. V and diodes such as 1N4007, BY127, are recommended for the 220 V network. The SCRs used are of the MCR106 type and must be mounted on heat sinks, if the lamps used have powers of more than 40 W. For powers up to 40 W, SCRs do not need to have heat sinks. The electrolytics used can be 8 uF or 10 uF, with a working voltage of 350 V, and the resistors are all 1/2 or 1W, with 10% tolerance or more.




