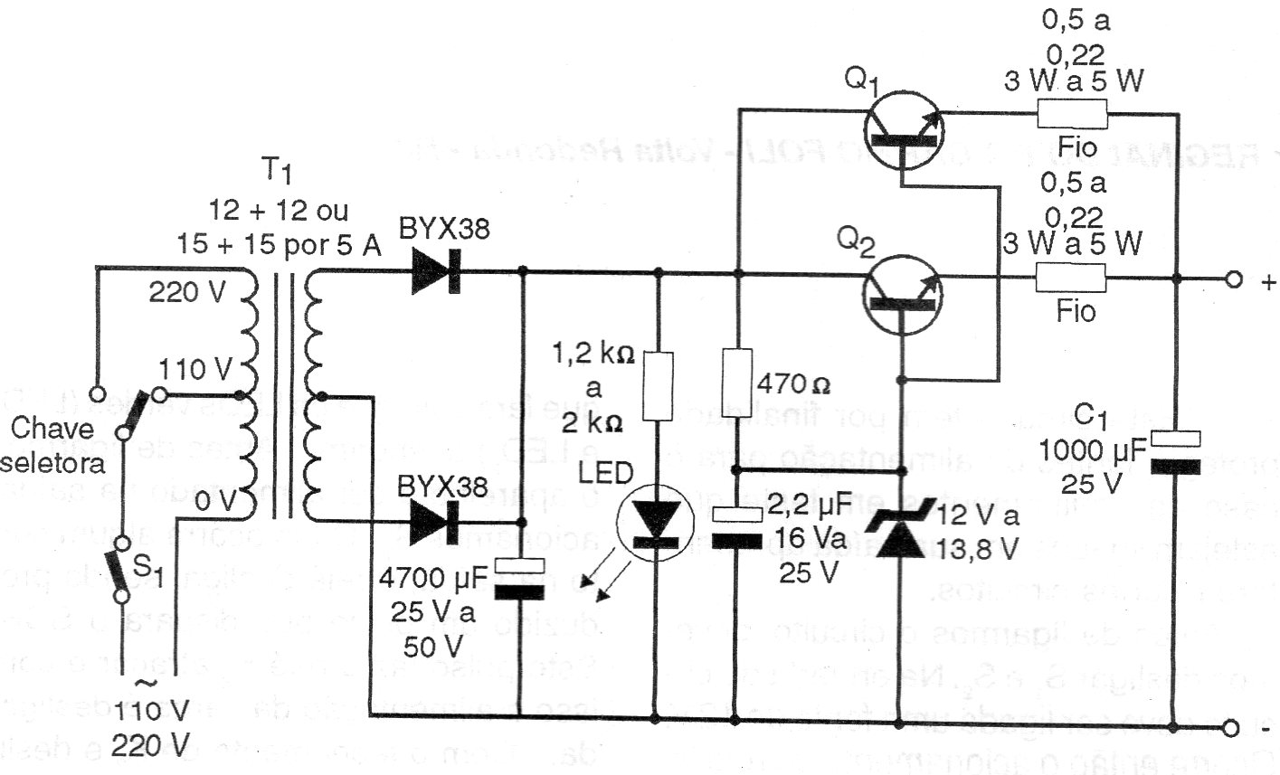
We found this conventional source with power transistors in a 1997 publication. The output voltage can be 12 or 13.6 V depending on the zener diode used. The power transistors must be mounted on good heat sinks and the transformer has a secondary current of 5 A. The transistors are type 2N3055.




