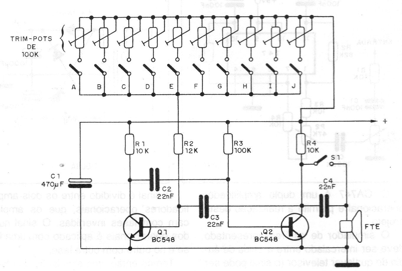
This simple monophonic electronic organ of several octaves was found in a 1987 publication. Powered by batteries, it directly excites a small speaker or piezoelectric transducer. The tuning of each key is independent through trimpots. The circuit can be powered by voltages from 6 to 9 V.




