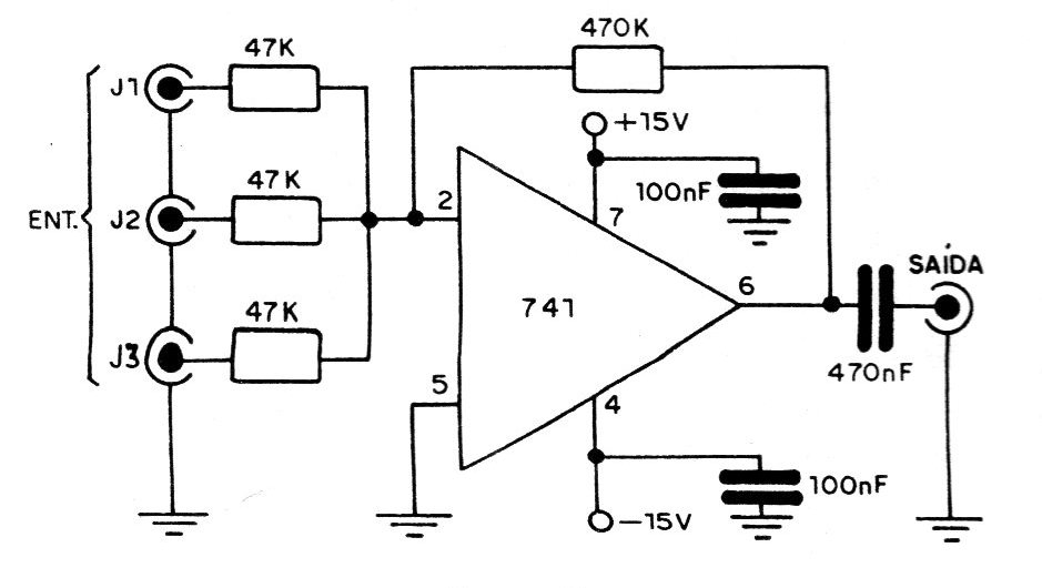
In the figure we have a circuit of a very simple audio mixer, which makes use of an operational 741.The input impedance is basically determined by the resistors in series with the input jacks, and the gain by the feedback resistor. In the indicated circuit the voltage gain is approximately 10 times. A symmetrical 15 V source is used, but voltages between 9 and 15 V should allow normal operation with most signal sources. When assembling this circuit, normal precautions must be taken for those operating with low intensity audio signals, that is, short or shielded connections for the input and output jacks. The use of a printed circuit board is recommended for perfect assembly.




