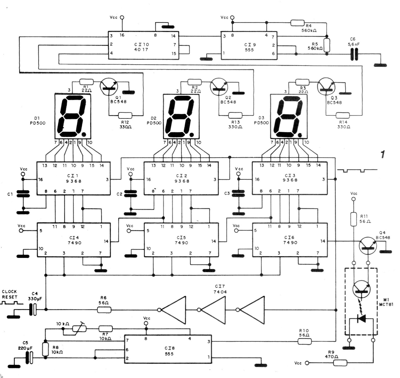
This circuit was found in a 1994 documentation, but it can be easily assembled today, as it uses common TTL circuits. The circuit is 3 digits and is used with an optical sensor with 7 holes coupled to the mechanical part of the car or other vehicle from which you want to monitor the speed. The circuit must be powered by a voltage of 5 V.




