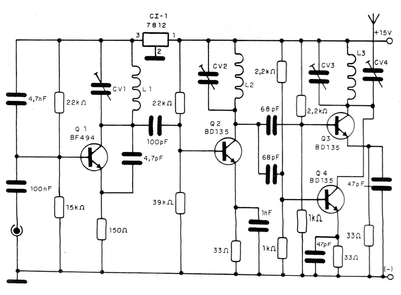
This powerful FM transmitter was found in 1992 documentation. The circuit requires a 12 V source with excellent filtering. L1, L2 and L3 have 3, 4 and 5 turns of wire 18 in the form of 1 cm in diameter. Trimmers are typically 3-30 pF or larger. Capacitors must be ceramic of excellent quality.




