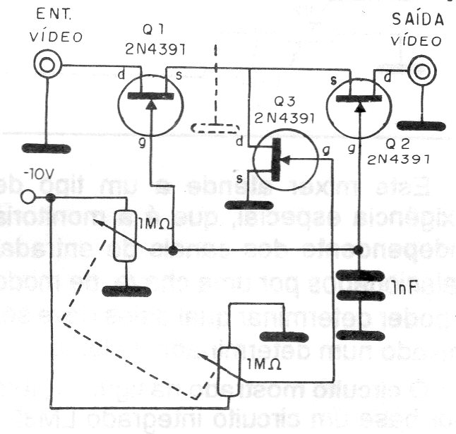
This circuit has its gain controlled by voltage. The circuit, which uses discrete components, was found in a 1992 publication. The adjustments are made in double pots. The impedance is 30 ohms, and the pass-through range is 10 kHz.
This circuit has its gain controlled by voltage. The circuit, which uses discrete components, was found in a 1992 publication. The adjustments are made in double pots. The impedance is 30 ohms, and the pass-through range is 10 kHz.