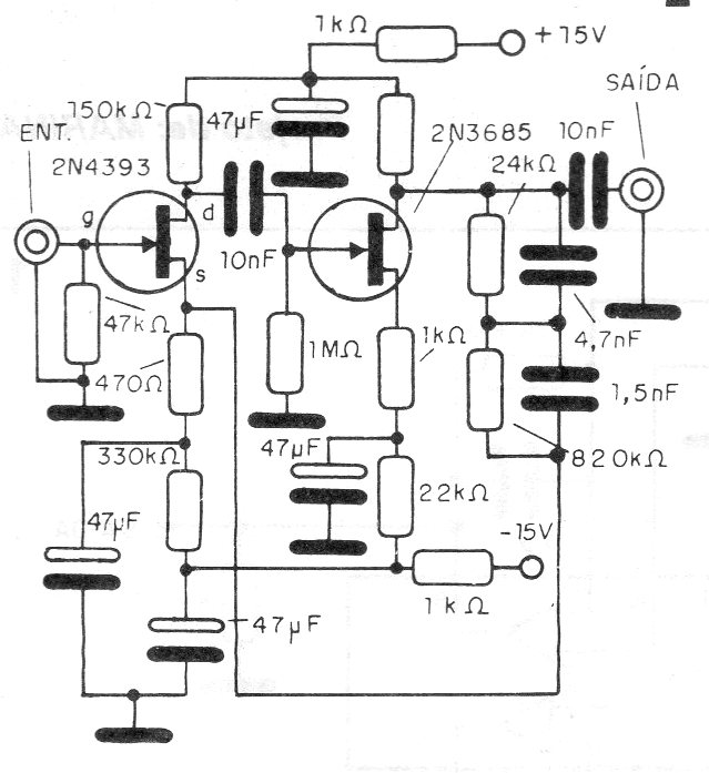
Several versions of this circuit can be found on this website. This makes use of FETs that can still be easily found on the market. The characteristics of this circuit are excellent for the application for which it is intended.

Several versions of this circuit can be found on this website. This makes use of FETs that can still be easily found on the market. The characteristics of this circuit are excellent for the application for which it is intended.
