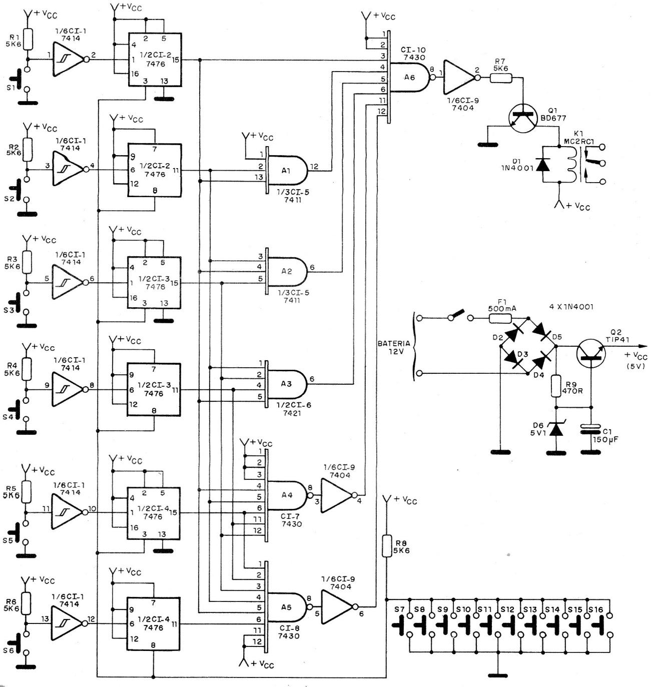
This electronic car lock was found in a 1988 magazine. It uses a code key that must be activated to unlock the ignition. The blocking circuit consists of a relay. The circuit can be used for other purposes. If the wrong switches are triggered, the circuit resets. The circuit can be supplied with 6 or 12 V depending on the relay used.




