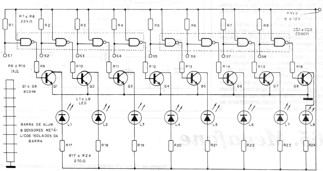
This circuit is from 1992 documentation, but it is still up to date for its usefulness and the components it uses. The sensors are wires stripped at different levels in a water tank. The circuit must be powered by an isolated source and the wires for the sensors must not be too long. The supply must be made with voltages from 6 to 12 V.




