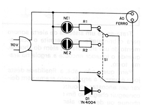
This simple circuit was found in a 1981 publication. As readers can see, we have an H switch and two neon monitoring lamps on this circuit. With the key in position A, the iron receives all power from the network, therefore operating at maximum power. The NE-1 neon lamp lights up indicating this. In position B of the switch, the diode is connected in series with the iron so that it starts to receive only the positive semiconductors. In this case we have its operation at reduced power or waiting with the neon lamp NE-2 indicating this. The diode used can be any with a current of 1 A and reverse voltage according to its power grid. For the 110 V network we suggest 1N4004 or 1N4007 and for the 220 V power grid o1N4007 or BY127.




