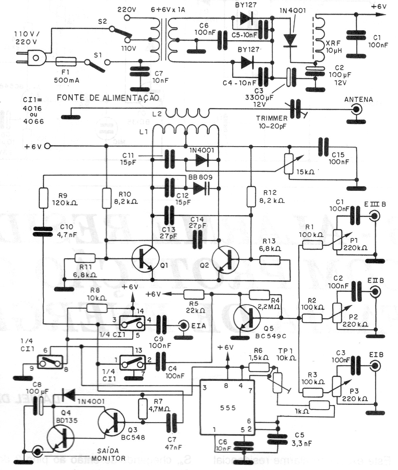
This circuit is from 1995 documentation, with Q1 and Q2 of type 2N2218 or higher power. L1 has 3 + 3 turns of wire 22 or 24 in the form of 1 cm without core and L2 has 4 turns linked in L1. The font is included, and care must be taken with the layout to avoid noise. The various adjustments are to obtain greater power, correct frequency of the pilot signal and modulation.




