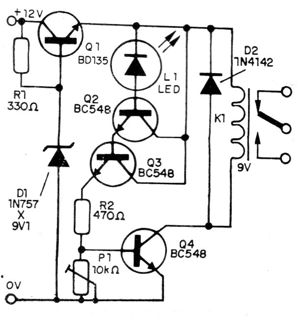
This circuit was found in a 1992 documentation. It activates a relay when light falls on a transparent LED used as a sensor. In fact, common LEDs operate as photodiodes when polarized in reverse. The light to which they are most sensitive is the one corresponding to their emission color. The relay is of the sensitive type of 12 V and P1 makes the sensitivity adjustment.




