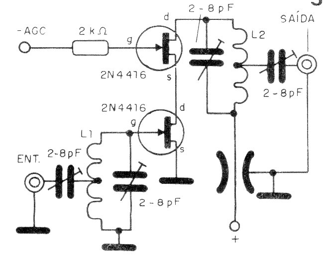
This circuit is from a specialized documentation in 1992 FETs. The L1 coil has 0.07 uH with central socket and L2 has 0.07 uH with a tap on the earth side turns. Equivalent transistors can be used. The supply is made with voltages from 9 to 12 V.
This circuit is from a specialized documentation in 1992 FETs. The L1 coil has 0.07 uH with central socket and L2 has 0.07 uH with a tap on the earth side turns. Equivalent transistors can be used. The supply is made with voltages from 9 to 12 V.