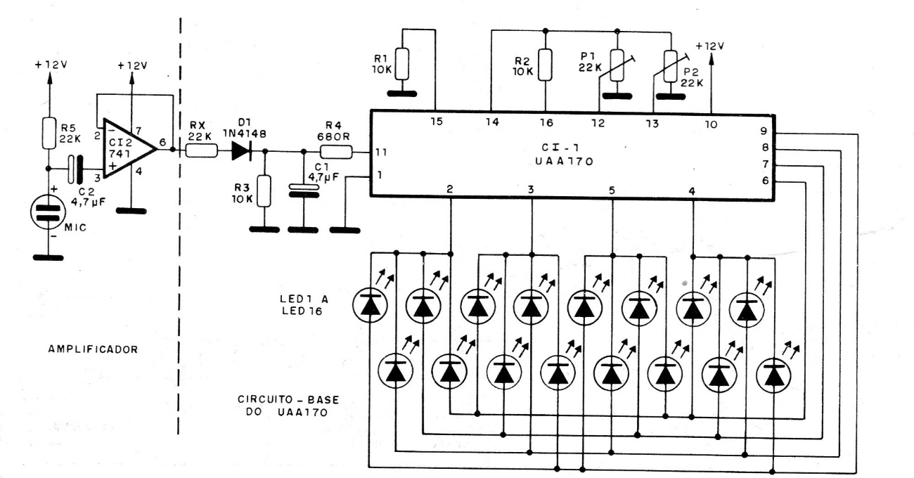
The UAA170 integrated circuit is no longer common in our market. With it it is possible to assemble a VU like the one found in a 1988 documentation and that we present here. The circuit is powered by a voltage of 12 V that can be obtained from the sound device with which it works. The circuit drives 16 LEDs.




