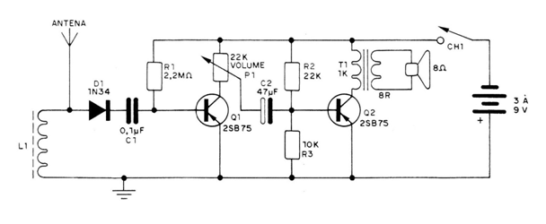
To receive the medium wave stations in your locality, we have here a receiver that, despite its simplicity, with the use of a good antenna, can excite a speaker. The author, to "save" components, suggests that the tuning is done by moving the core of the coil, but this operation will be facilitated by the connection of a variable capacitor in parallel with it. This coil consists of approximately 80 turns of wire enameled 28 or 30, on a ferrite rod at least 10 cm long The detector diode can be of any type for general use, such as 1N34, while in the original project the author used old PNP germanium transistors, such as the 2SB75, 2SB175, AC128 or BC178, which can be used from unused transistor radios.




