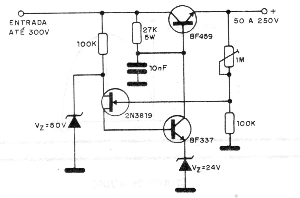
This circuit can supply a voltage of 50 V up to 25mA or 250V with up to 120 mA at a regulation rate of the order of 0.5 ° / o. The BF459 power transistor must be mounted on a heat radiator and among the possible applications for the circuit is the supply of deflector systems for oscilloscopes or video monitors. 2N3819 can be replaced by equivalents.




