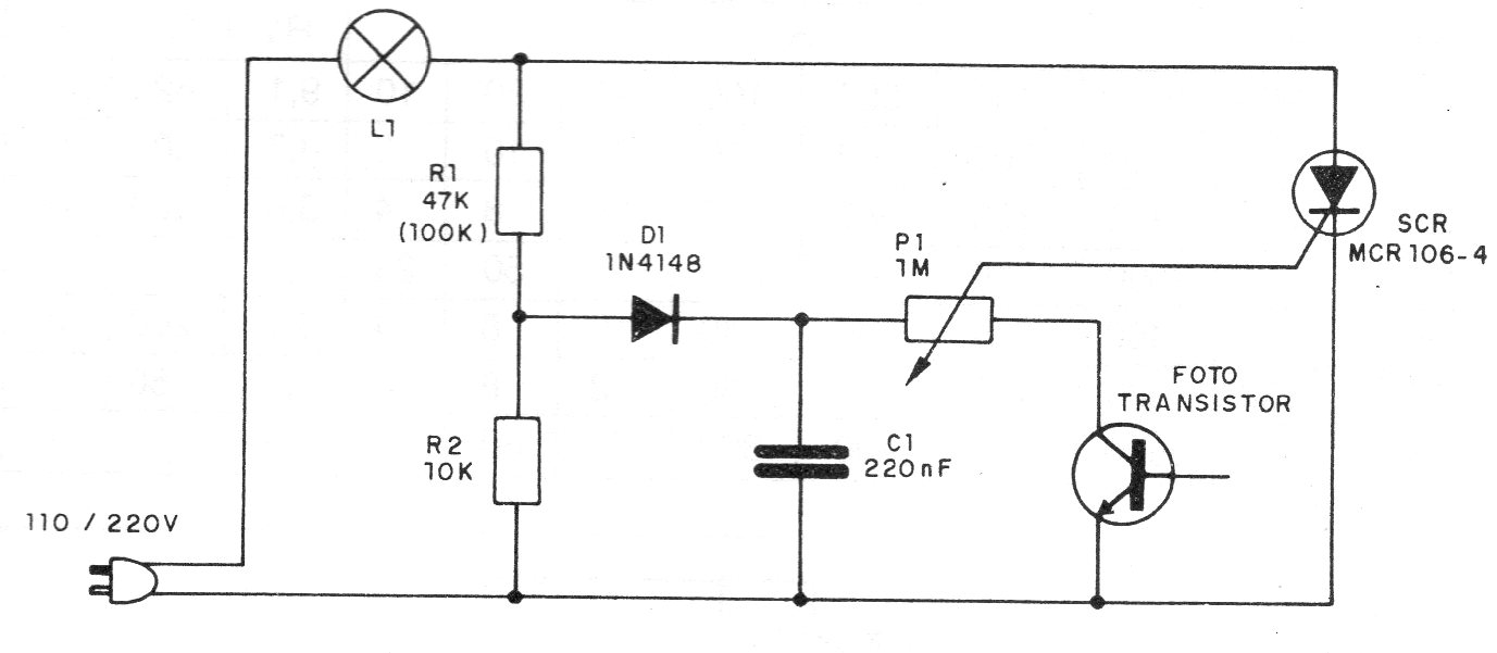
This circuit activates an incandescent lamp (it cannot be of another type) when it gets dark. The maximum power is around 200 W and the control is half wave. The circuit is from 1987 documentation and the SCR must be mounted on a heatsink. The sensitivity adjustment is made in the trimpot.




