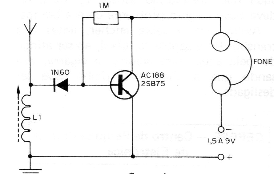
We found this elementary receiver in a 1983 publication, but it can be easily assembled today, as any transistor will do. The coil consists of 80 turns of wire 28 in a cardboard or PVC tube into which the ferrite core can slide. Sliding the core is done. The handset must be of high impedance. If a crystal phone is used, connect a 10k resistor in parallel. The aerial must be long.




