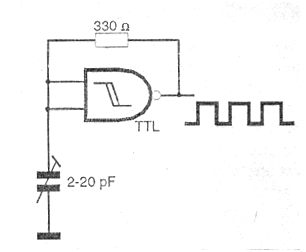
A TTL NAND trigger is the basis of this oscillator which, with the indicated components, can generate signals in the indicated frequency range. The circuit can also be designed with common inverters and the maximum frequency is indicated for Standard TTLs. For other families, higher frequencies may be achieved, as appropriate.




