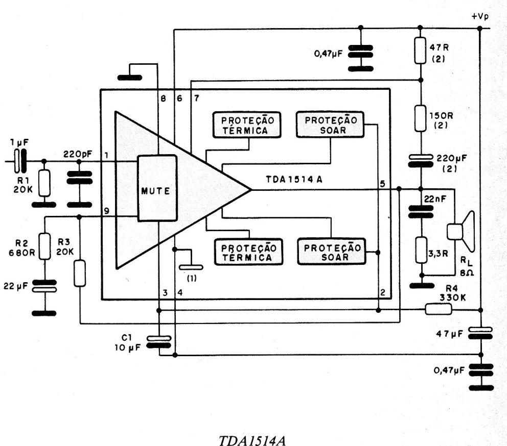
This audio amplifier with differential input steps is designed to operate with asymmetric sources from the local network (15 to 35 V). The TDA1512 is presented in a 9-pin SIL enclosure but can also be obtained with the terminals folded in DIL shape. Among the advantages indicated by the manufacturer we have
- Low intermodulation distortion (0.1 ° / o at Po = 10 W)
- Low distortion by intermodulation transient
- 0 Internal thermal protection and output current limiter
- Output protected against AC and DC short circuits in relation to earth.
- Low input offset voltage (15 mW)
- Output stage with low crossover distortion.
For a total distortion of 0.7% we have the following characteristics:





