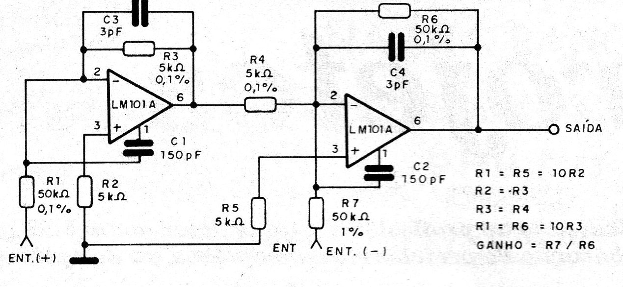
Based on the LM101A we have this amplifier for instrumentation with a gain of 100. This gain is determined by the relationship between resistors R7 and R5. Note that the resistors must have a very narrow tolerance, which will be responsible for the common mode rejection. The resistors must also maintain ratios indicated in the diagram for correct operation. The input impedance of this circuit is lower than in the case of the previous one, but still quite high for applications that use high impedance transducers.




