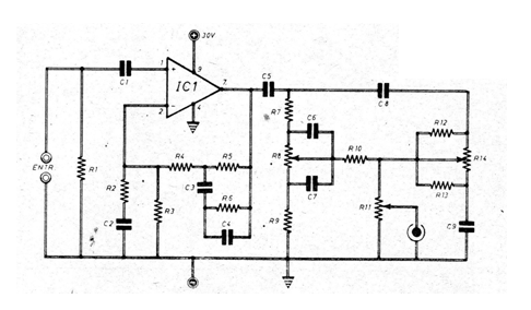
This article is from a publication by A. Fanzeres from the 70s. We kept the original text. Using a National LM381 integrated circuit, this preamplifier and equalizer circuit gives an output of 5 millivolts, with a good linear characteristic. To be used in stereophonic arrangement, just duplicate the circuit. Given the few components used this circuit is very interesting not only for the experimenter but also for the professional technician.
LIST OF MATERIALS
R1- 47k ohms
R2 - 240 ohms
R3 - 100 K ohms
R4 - 2.4 kohms
R5 - 1.2 M ohms
R6 - 100 K ohms
R7- 5.6 K ohms
R8: 500k
R9: 560
R10 -: 10K
R11: - 47 K, log.
R12 - 82K
R13 - 8.2k
Rl4 - 47K
IC1 - LM 381.
Cl - 100,000 pF
C2 - 22 uF, tubular
C3 - 3,000 pF
C4 - 1,000 pF
C5 - 1 uF, tubular
C6 - 56,000 pF
C7: 570,000 pF
C8 - 2,000 pF
C9 - 20,000 pF




