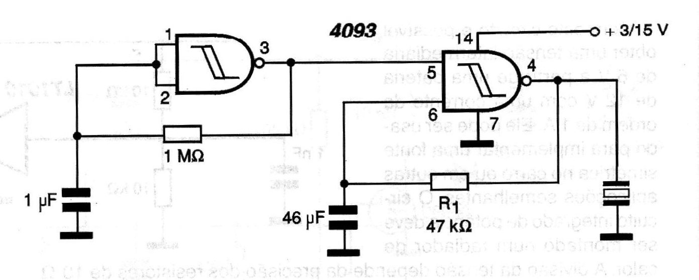
The circuit shown in the figure is ideal for producing interval beeps in a piezoelectric transducer with a low current and power consumption that can vary between 3 and 15 V. The 1 M resistor determines the intermittency and can be between 220 k ohms and 4, 7 M ohms. The 47k resistor determines the frequency and can be between 10 k ohms and 220 k ohms. Higher values lead to lower sounds. With the use of a power transistor this circuit can excite small speakers, but in this case the consumption will be much higher. We note that low impedance speakers should not be connected to the output of this oscillator directly.




