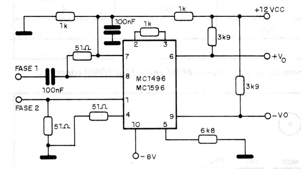
This circuit compares the phases of two signals applied to the input, providing an output proportional to the phase difference. Signals of the same phase produce a DC signal at the output. In conjunction with a PLL circuit from this comparator it results in a demodulator of frequency modulated signals with a very low distortion rate, as shown in the figure.




