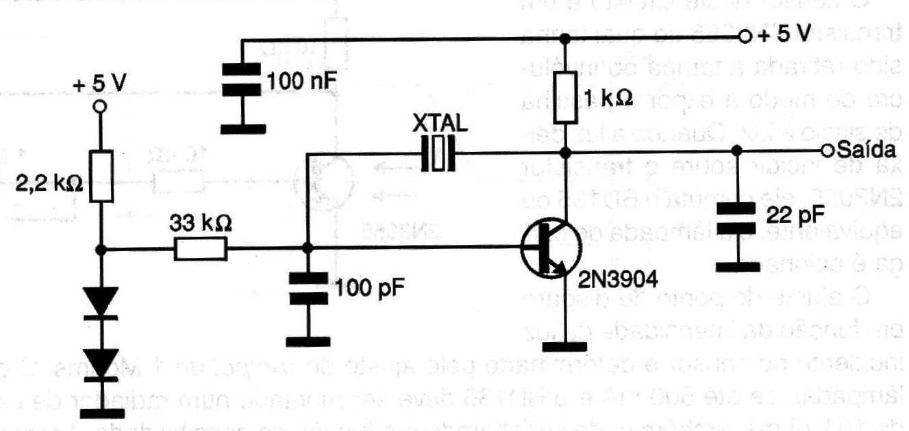
This oscillator uses a general-purpose transistor that can have BC548, BF494 or 2N2222 equivalents and generates a signal determined by the frequency of the crystal. The two diodes are for general use and the supply voltage is 5 V. The three capacitors must be ceramic. Other frequencies in the range of 1 to 20 MHz can be generated by the same circuit.




