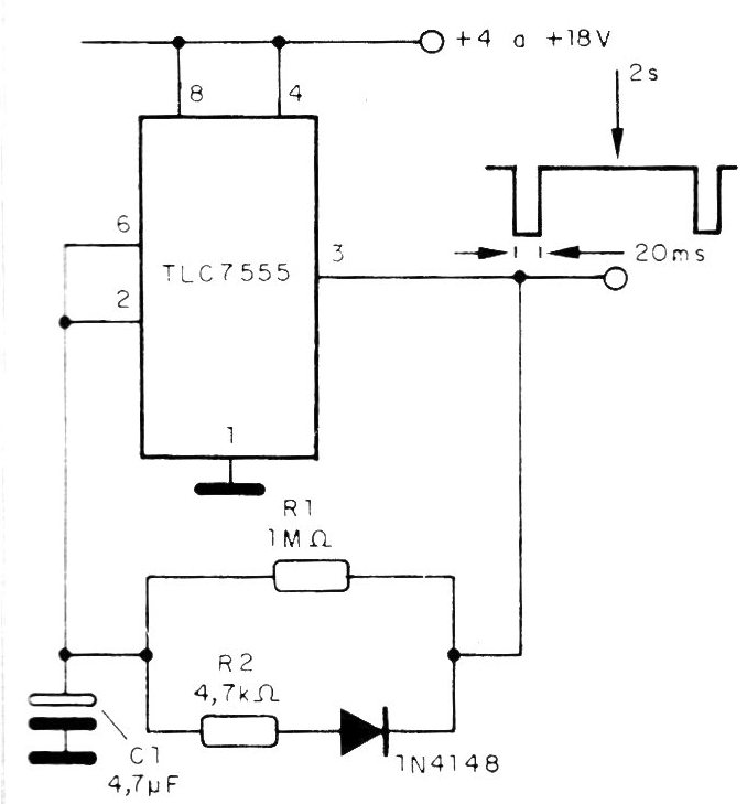
To obtain a large brand / space ratio, for example, from 1 to 100, we can use the TLC7555 in the configuration shown in the figure. The relationship between R, and R2 determines the brand / space relationship. In this case, we have the activation of a lamp that produces short pulses. In the indicated circuit, for every 2 seconds interval at the high level, the output switches remaining 20 ms at the low level.




