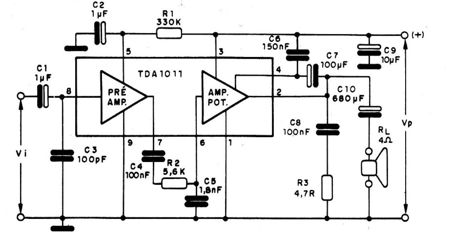
This is an integrated recommended for portable amplifiers, recorders, and battery powered radios. It provides a power of up to 4.2 W with a load of 4 ohms and can be powered with voltages in the range of 3.6 V to 18 V. Like the TDA1011, with which it is compatible, it is presented in a 9-pin SIL enclosure. The advantages of this integrated, the circuit and the table with the powers depending on the voltage are the same as those of the CB15971E amplifier.




