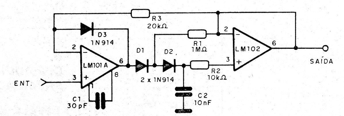
The circuit in the figure uses two operational amplifiers: an LM101A and an LM102. Diodes admit equivalents and resistors do not have to be accurate. The power supply must be symmetrical.
This circuit was obtained in an old magazine from the 1970s. The circuit can still be assembled with...
This power oscillator uses an LM380 amplifier. We found it in old English documentation. The C3...
In the figure we show a simple way to use a zener diode to protect a load against overvoltage. The...