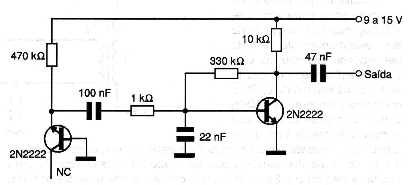
Pink noise is used in musical instruments, testing of telecommunications equipment and other applications. It is a noise whose intensity does not remain constant over the spectrum. This generator uses thermal noise at the emitter / base junction of a common transistor to obtain the signal. Cutting of the higher frequencies that characterize this type of noise is done by the 22 nF capacitor.




