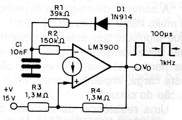
Short duration pulses can be obtained in a configuration like the one previously seen (CB15627E), using only one amplifier, as shown in the figure. In the indicated circuit, pulses of 100 us duration are not produced, at a repetition frequency of 1 kHz. With the use of a diode, we have the charge of C1 via R1, but its discharge occurs via R2. The relationship between these components then determines the brand-space relationship of the generator.




