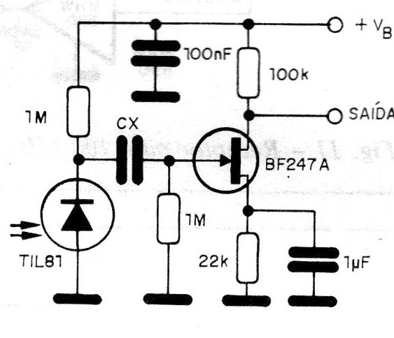
This circuit detects frequency modulated signals that are not received by a photo sensor. The circuit is designed to operate at frequencies up to 10 kHz and is based on a field effect transistor. The supply can be done with voltages in the range of 9 to 20 V and the capacitor Cx must be selected according to the operating frequency, having typical values in the range of 1 nF to 100 nF. The application suggestion is from Texas lnstruments.




