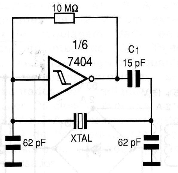
This oscillator makes use of one of the inverters of an integrated circuit 7404. With circuits of the normal series its frequency can go up to about 7 MHz. With ICs of the LS series the frequency can be much higher.

This oscillator makes use of one of the inverters of an integrated circuit 7404. With circuits of the normal series its frequency can go up to about 7 MHz. With ICs of the LS series the frequency can be much higher.
