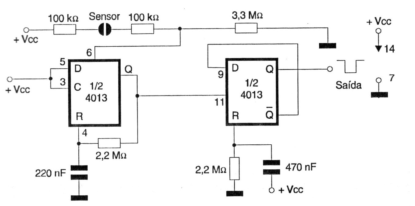
With a touch of the sensor, the output of the 4013 changes state from high to low or vice versa. In this circuit, the 4013's first flip-flop is used as monostable to avoid the presence of bounces. The time constant for this monostable is given by the 2.2 M ohm resistor at 1 and the capacitor at pin 4. The output can directly excite a transistorized relay actuation step. The circuit can be supplied with voltages from 3 to 15 V. The circuit can be used as a shield.




