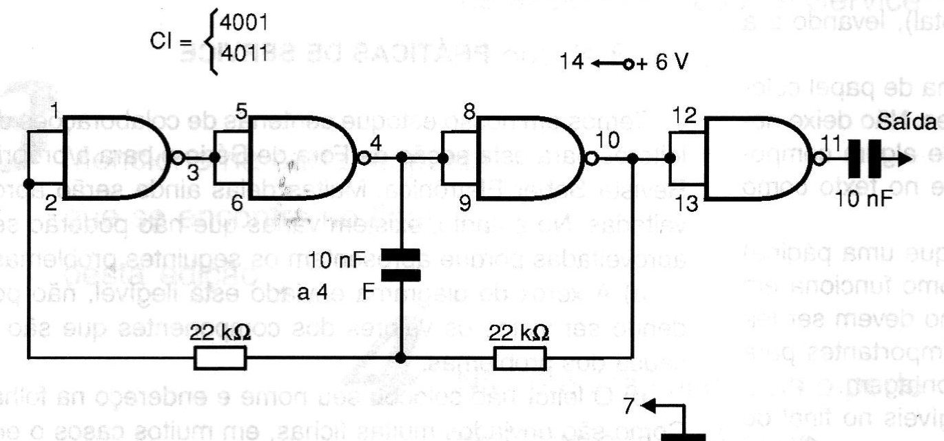
The signal injector illustrated in the figure uses a single integrated circuit and generates rectangular signals rich in harmonics. The supply can be done with voltages between 5 and 12 V, but we suggest 6 V, which corresponds to the use of 4 common batteries. The negative of the injection is the negative pole of the batteries, and the capacitor can be changed to obtain a frequency according to the desired application.




