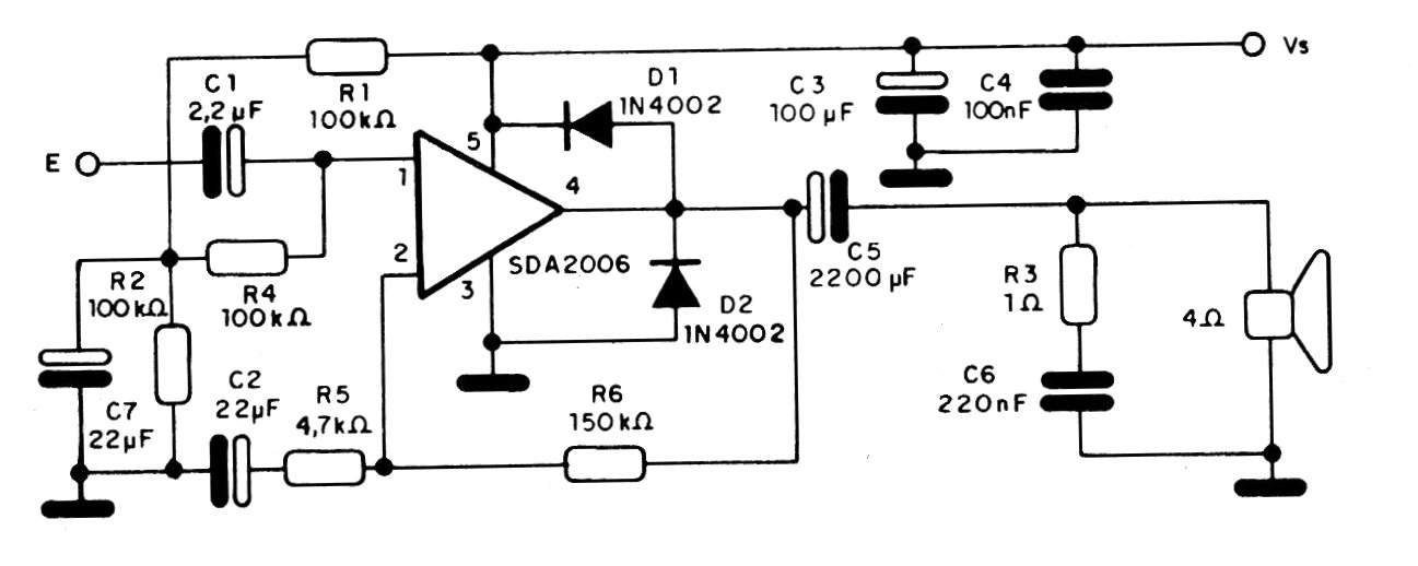
This amplifier must be supplied with a voltage of 24 V and the resting current is of the order of 4 mA. The integrated circuit must have a heat sink and the voltage gain is 30. The input resistance is 5M ohms.
This amplifier must be supplied with a voltage of 24 V and the resting current is of the order of 4 mA. The integrated circuit must have a heat sink and the voltage gain is 30. The input resistance is 5M ohms.