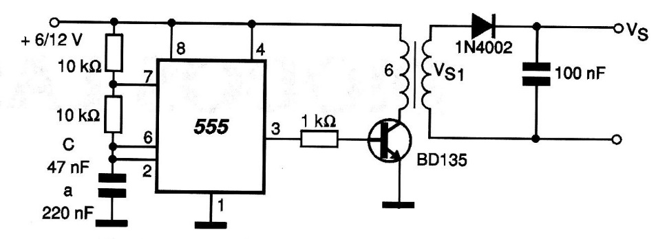
The inverter shown in the figure can generate voltages in the range of 80 to 600 volts depending on the transformer. The output current is in the order of a few milliamps, but the circuit can be used for polarization functions, lighting of fluorescent and neon lamps, supply of Geiger valves, insulation tests, etc. The BD135 admits equivalents from the same family and must have a small heat radiator. The value of capacitor C must be chosen to obtain the best performance in the transfer of energy through the transformer. The input voltage of 6 to 12 V can be obtained from battery or cells.




