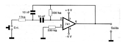
A frequency range determined by the network of resistors and capacitors with negative feedback and input passes through this circuit with virtually no attenuation. However, frequency signals outside this range are strongly attenuated. The values of the components used can be changed according to the frequency range you want to tune. We observed that the selectivity of the circuit is not high, which must be considered in certain applications. The complete circuit of this filter is shown in the figure and makes use of a symmetrical power supply.




