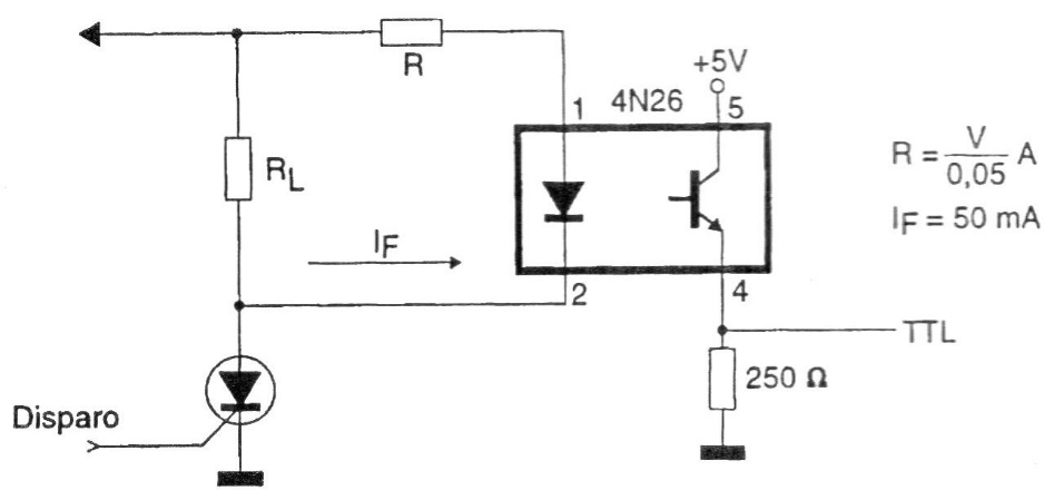
This coupler allows the triggering of a TTL port or flip-flop from an SCR. The resistor R must be calculated by the formula next to the diagram, depending on the supply voltage of the system to obtain a current on the LED of the order of 50 mA.
This coupler allows the triggering of a TTL port or flip-flop from an SCR. The resistor R must be calculated by the formula next to the diagram, depending on the supply voltage of the system to obtain a current on the LED of the order of 50 mA.