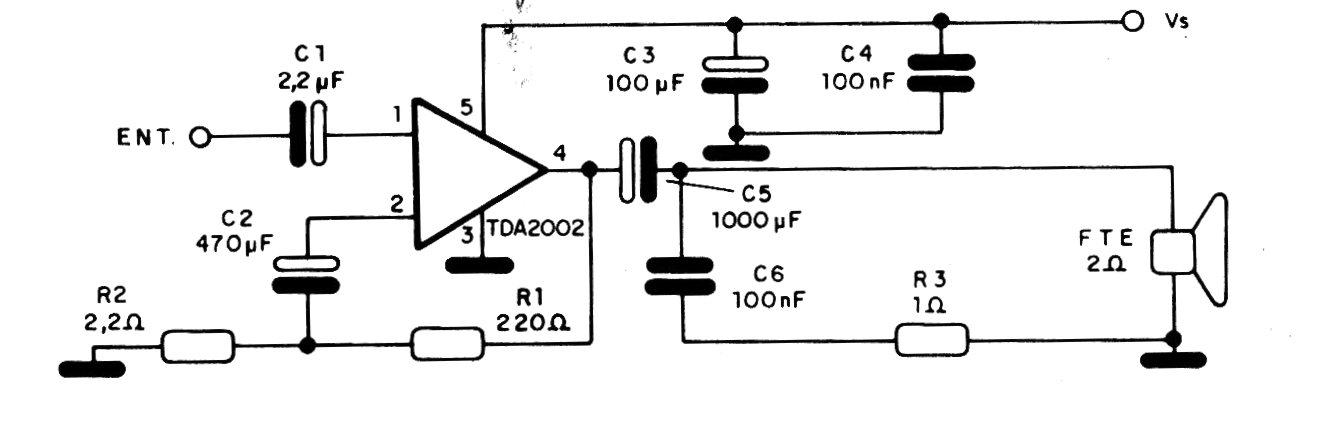
With a 12 V supply and a 2 ohms load, this circuit can provide a power of the order of 8 W. The integrated circuit must be mounted on a heat sink. The source must provide at least 3 A.
In the figure we have the way to connect two high power operational amplifiers LM12 to double the...
This circuit uses the Linear Technology LT6505 and was found in a 2005 manual. The circuit is for 24 V...
a This circuit was obtained from a 1978 Practical Wireless. It causes a low-power 1.5V lamp to...