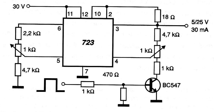
This circuit only generates the voltage that must be pulsed in an EPROM to make its recording. The pulsar can be controlled by a logic circuit connected to the input when level 1 then applies the pulse. This circuit should generate the pulse in the required width for each type of EPROM that will be recorded. The circuit is entered with a voltage of 30 V and the exact pulse voltage must be adjusted in both trimpots. It also serves as the basis for a stabilized power supply of excellent quality by simply adding power steps with transistors.




