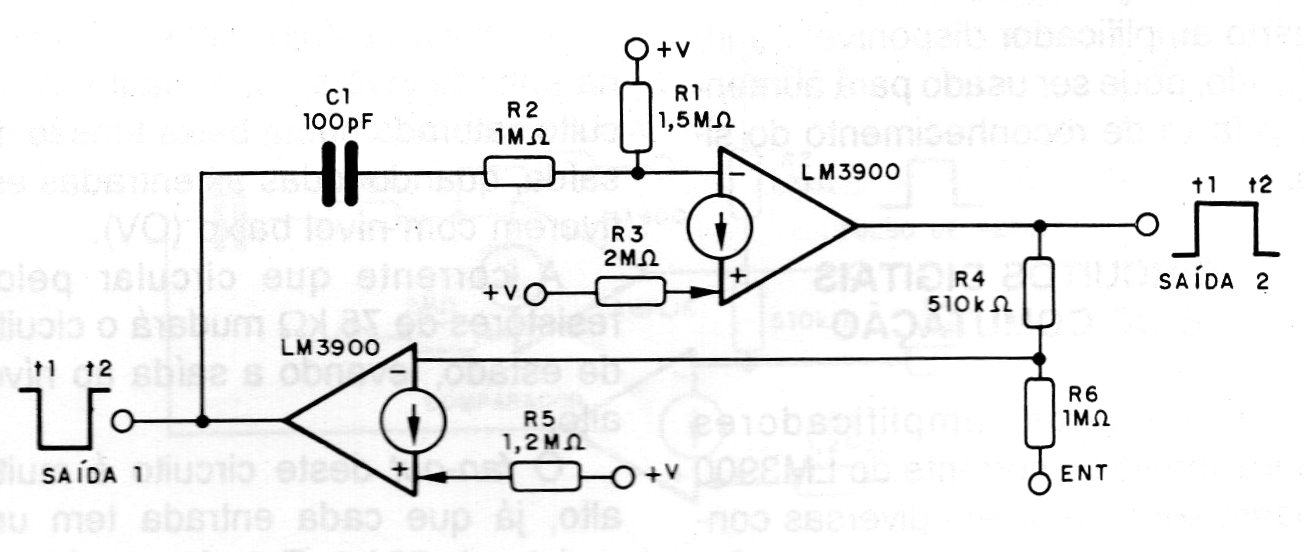
The circuit in the figure combines a multivibrator with a comparator, so that the trip only occurs when the input level exceeds a certain value. This application can be interesting in an oscillating circuit, where the generated signal, upon reaching a certain level, causes the production of a reset pulse. In the indicated circuit, the trip occurs when the input voltage reaches approximately 80% of the supply voltage, a value that is given by the relationship between R6 and R5.




