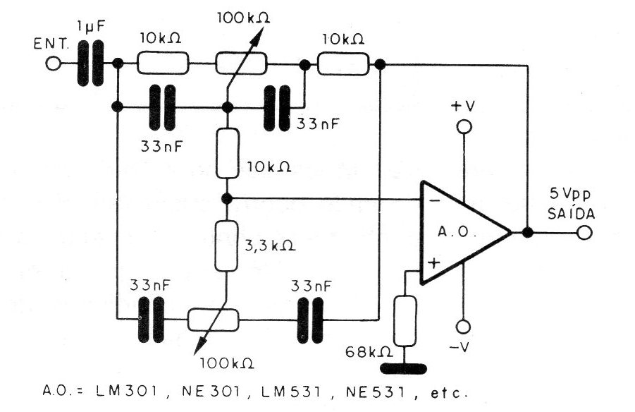
The tone control in the figure below can be implemented with almost any operational amplifier. The power supply must be symmetrical and the potentiometers linear. The supply voltage can be between 6 and 15 V, according to the operational amplifier used.




