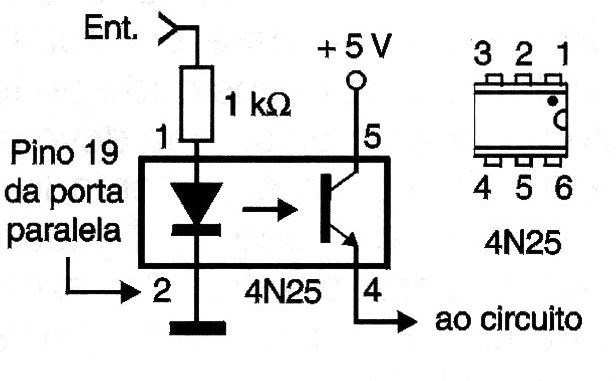
This circuit is ideal for the design of interfaces and shields, as it allows total isolation of the PC circuit from the circuit to be controlled. The base of the block that must be repeated for all outputs of the parallel port (8) is an optical isolator type 4N25. The circuit has an output compatible with TTL logic and can be fed directly by the signals from the parallel port. Pin 19 is common (ground) and fits all blocks.




